
EN
— 產品中心 —
全國服務電話 075528990558 地址:深圳市龍崗區南聯向銀路71號匯川科技園華鵬艾偉大廈A棟
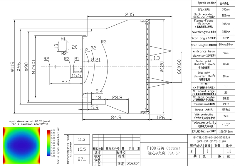
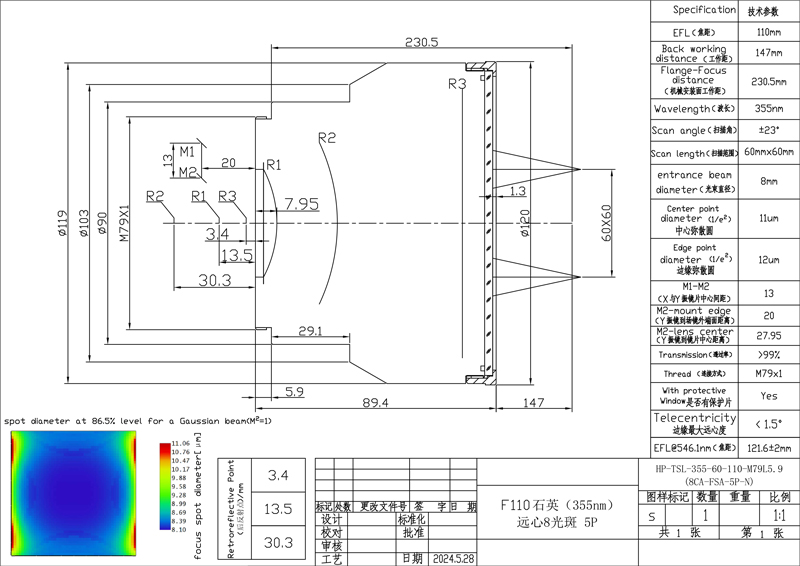
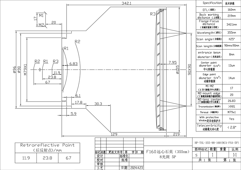
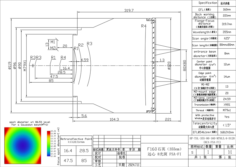
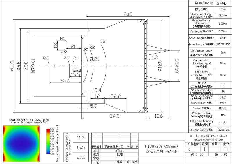
遠心場鏡355nm包含:F160遠心場鏡355nm 90x90WD219、F160遠心場鏡355nm 80x80WD221、F110遠心場鏡355nm 60x60WD147、F100遠心場鏡355nm 60x60WD126等?!?/p>
產品詳情




以上只是遠心場鏡355nm簡單介紹,如需要更詳細的遠心場鏡355nm資料信息,請聯系華鵬艾偉對應銷售人員。
上一篇:遠心場鏡532nm
下一篇:沒有了
相關推薦
華鵬艾偉是一家專業的激光打標機配件、激光焊接機配件、激光切割機配件等激光全套配件綜合解決方案品牌供應商和批發商!
地址:深圳市龍崗區南聯向銀路71號匯川科技園華鵬艾偉大廈A棟 TEL:0755-28990558