
EN
— 產品中心 —
全國服務電話 075528990558 地址:深圳市龍崗區南聯向銀路71號匯川科技園華鵬艾偉大廈A棟
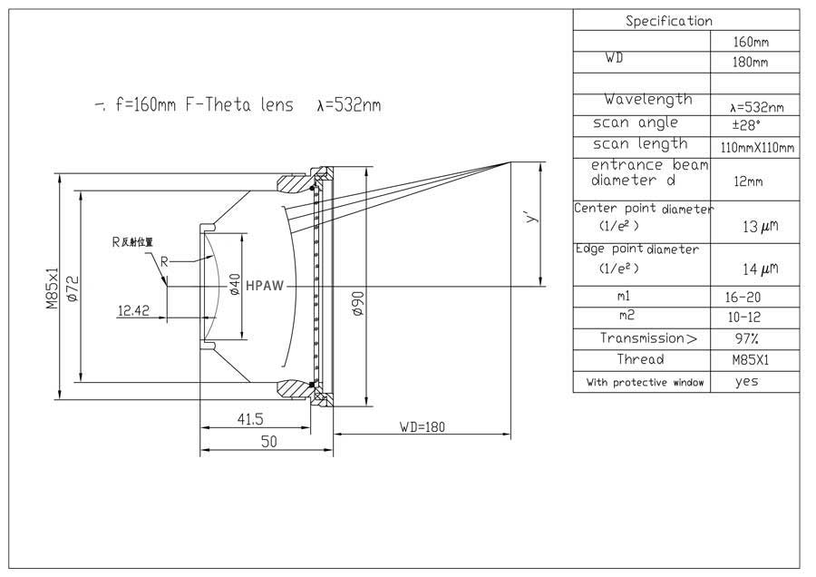
532nm激光場鏡 主要應用于各類掃描加工的光學系統,功能上屬于聚焦鏡,其與普通聚焦鏡差別是其具有F*的特性,加工位置可以根據F*進行計算,同時在大視場范圍內保持均勻性。532nm激……
產品詳情
532nm激光場鏡主要應用于各類掃描加工的光學系統,功能上屬于聚焦鏡,其與普通聚焦鏡差別是其具有F*Θ的特性,加工位置可以根據F*Θ進行計算,同時在大視場范圍內保持均勻性。532nm激光場鏡是把準直的激光束聚焦于一點,提高激光光束的能量密度,利用激光的高能量對材料進行各種切割、打標、焊接、清洗及表面處理等各種材料加工,同時當入射的激光光束方向改變時,場鏡仍能保持相對尺寸與能量密度不變的光斑,使激光光束可以對不同材料位置的點進行加工。場鏡與快速精確改變激光光束方向的振鏡相組合,就可以實現對材料的高速精密的加工與處理。
532nm綠光激光適合于對熱效應敏感的材料進行打標,因為532的波長決定了綠激光是一種相對的“冷激光”。之所以說相對,是指相對于co2激光打標機、半導體激光打標機、光纖激光打標機來說綠激光熱輻射效應更小,但是相對于355nm的紫外激光來說,他的熱效應卻大一些。532綠光激光打標機最典型的應用就是在水晶的表面雕刻與內雕。
532nm激光場鏡的特點
1、設計達到衍射極限,激光圓整度高;
2、F*θ線性好,畸變小;
3、幅面內圓整度好,均勻性高。
532nm激光場鏡的優勢
1、精度高,光斑圓整度好;
2、成本性能優化設計,性價比高;
3、產品規種類齊全;
4、可按客戶參數定制,快速響應。

| 商品編碼 | 商品名稱 | 規格型號 | 計量單位 |
| D9.001 | 綠光場鏡532nm | 50*50 F=63mm | 個 |
| D9.002 | 綠光場鏡532nm | 70*70 F=100mm | 個 |
| D9.003 | 綠光場鏡532nm | 110*110 F=160mm | 個 |
| D9.004 | 綠光場鏡532nm | 145*145 F=210mm | 個 |
| D9.005 | 綠光場鏡532nm | 175*175 F=254mm | 個 |
| D9.006 | 綠光場鏡532nm | 230*230 F=330mm | 個 |
| D9.007 | 綠光場鏡532nm | 300*300 F=420mm | 個 |
| D9.008 | 綠光場鏡532nm | 350*350 F=500mm | 個 |
以上只是532nm綠光場鏡石英打標場鏡簡單介紹,如需要更詳細的532nm綠光場鏡石英打標場鏡資料信息,請聯系華鵬艾偉對應銷售人員。
相關推薦
華鵬艾偉是一家專業的激光打標機配件、激光焊接機配件、激光切割機配件等激光全套配件綜合解決方案品牌供應商和批發商!
地址:深圳市龍崗區南聯向銀路71號匯川科技園華鵬艾偉大廈A棟 TEL:0755-28990558